Ó¦ÓÃÐÎò
Ëæ×ÅÈËÃÇÉúÑÄˮƽµÄÌá¸ß£¬£¬£¬£¬£¬£¬Îü³¾Æ÷ÕýÔÚÖйú¼ÒͥѸËÙµÄÆÕ¼°£¬£¬£¬£¬£¬£¬ÈËÃǵÄÍ·ÄÔÒ²±¬·¢ÁËת±ä£¬£¬£¬£¬£¬£¬ÏÖÔÚͨË×¼ÒÍ¥¶ÔÎü³¾Æ÷µÄÐèÇóÒ²ÊÇ´ó´óµÄÌá¸ßÁË¡£¡£¡£¡£¡£
ÎÞË¢Âí´ï¡¢ÖÇÄÜ¿ØÖÆ¡¢´«¸ÐÆ÷¼°ï®µç³ØµÈÊÖÒÕµÄÒ»Ö±Éú³¤£¬£¬£¬£¬£¬£¬µ¼ÖÂÎü³¾Æ÷Ó¦ÓöÔMOSFETÒªÇóÔ½À´Ô½¸ß£¬£¬£¬£¬£¬£¬¹¦ÂÊÃܶÈÒ²Ô½À´Ô½´ó¡£¡£¡£¡£¡£
CRMICRO ÌṩÊʺÏÓÚÎü³¾Æ÷Ó¦ÓõĵÍÄÚ×裬£¬£¬£¬£¬£¬Ð¡Ìå»ýDFNϵÁзâ×°²úÆ·£¬£¬£¬£¬£¬£¬¾ßÓÐ½ÏµÍµÄ FOM [QG *RDS(on£©] ʵÏÖÁ˺ÜÊǵ͵ĵ¼Í¨ºÍ¿ª¹ØÏûºÄ¡£¡£¡£¡£¡£±ðµÄ£¬£¬£¬£¬£¬£¬¼«µÍµÄ¼ÄÉú²ÎÊýÄÜʵÏÖ¸ü¸ßµÄƵÂʺͺÜÊǸ߹¦ÂÊÃܶÈÉè¼Æ¡£¡£¡£¡£¡£×ÊÖúÖÆÔìÉÌΪÎü³¾Æ÷Éè¼ÆÊµÏÖÓÅ»¯¡¢¸ßЧµÄ½â¾ö¼Æ»®¡£¡£¡£¡£¡£
²úÆ·ÌØÉ«
![]() |
SJ »ùÓÚSGTƽ̨¿ª·¢£¬£¬£¬£¬£¬£¬FOMÖµµÍ | ![]() |
-40V-60Vµçѹ¶Î£¬£¬£¬£¬£¬£¬¶à¹æ¸ñ²úÆ·¿É¹©Ñ¡Ôñ | |
![]() |
¿¹¹¥»÷ÄÜÁ¦Ç¿£¬£¬£¬£¬£¬£¬ÊÊÓÃÓÚµç»úÇý¶¯ºÍBMSÓ¦Óà | ![]() |
DFNµÈϵÁзâ×°ÆëÈ«£¬£¬£¬£¬£¬£¬Öª×ãÎü³¾Æ÷²î±ðÐÎ×´ÐèÇó |
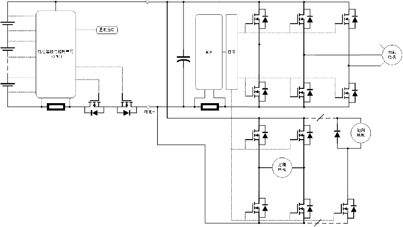
Ó¦ÓÃÔÀíͼ
µä·¶Ó¦ÓÃÍØÆËͼ

Ó¦ÓÃÑ¡ÐÍÍÆ¼ö
